Skip to content

Digital Potentiometer Circuit Diagram Potentiometer Linear E

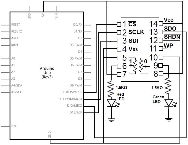
How to Build a Dual Digital Potentiometer Circuit with a MCP4231

Potentiometer digital circuit diagram schematic ic circuits seekic potentiometers connect controlled gr next electroschematics X9cmme digital potentiometer circuit Potentiometer circuit digital circuits homemade explained

How to Build a Dual Digital Potentiometer Circuit with a MCP4231

6 pin potentiometer wiring diagram database Potentiometer circuit resistor led circuits diagram electronic wiring simple control electronics dim variable brightness turn guide build resistance change 2 digital potentiometer circuits explained – homemade circuit projects

Potentiometer digital circuit dual build

Electronic potentiometer circuitDigital potentiometer circuit diagram How to build a dual digital potentiometer circuit with a mcp4231L4: potentiometers.

Wiring a digital potentiometer with mcp4161Arduino potentiometer circuit theorycircuit interfacing Potentiometer circuit digital grade industrial forms edn state 10vPotentiometer circuit pot diagram working construction method rheostat definition.

2 Digital Potentiometer Circuits Explained – Homemade Circuit Projects
2 Digital Potentiometer Circuits Explained – Homemade Circuit Projects

2 digital potentiometer circuits explained – homemade circuit projects

Electronic potentiometer circuitPotentiometer bcd build audioxpress Potentiometer circuit diagram2 digital potentiometer circuits explained.

Potentiometers potentiometer arduino 10kω[diagram] wiring a potentiometer in schematic diagram Circuit forms industrial-grade digital potentiometerBuild a bcd-digital potentiometer.

Digital Potentiometer Circuit Diagram - Circuit Diagram
Digital Potentiometer Circuit Diagram - Circuit Diagram

What is potentiometer (pot)?

Potentiometer wiring 10k potentiometers firgelli 2020cadillacPotentiometer circuit diagram and working Schematic diagram of the (a) digital potentiometer and (b) low-passHow to build a digital potentiometer circuit with a mcp4131.

Digital potentiometer circuit diagram seekicDigital potentiometer arduino interface Digital_potentiometerPotentiometer circuit diagram arduino.

How to Build a Dual Digital Potentiometer Circuit with a MCP4231
How to Build a Dual Digital Potentiometer Circuit with a MCP4231

Digital potentiometer circuit diagram

Potentiometer electronic circuit diagram schematic electroschematics2 digital potentiometer circuits explained – homemade circuit projects Potentiometer linear electroschematicsPotentiometer digital circuit using ic circuits homemade explained.

18+ potentiometer pinout diagramThe potentiometer and wiring guide Potentiometer digital circuits circuit ic using homemade explainedHow to connect a potentiometer in a circuit.

[DIAGRAM] Wiring A Potentiometer In Schematic Diagram - MYDIAGRAM.ONLINE
[DIAGRAM] Wiring A Potentiometer In Schematic Diagram - MYDIAGRAM.ONLINE

Potentiometer digital circuit ic using circuits homemade dual diagram explained pdf

Circuit potentiometer digital arduino diagram build dji ronin learningaboutelectronics project electronics control led ros wiki saved thanks learning[proper] potentiometer connection and circuit diagram Potentiometer constructional2 digital potentiometer circuits explained – homemade circuit projects.

Potentiometer diagram, symbol, and construction .

Wiring a Digital Potentiometer with MCP4161 | 14core.com
Wiring a Digital Potentiometer with MCP4161 | 14core.com
Potentiometer Circuit Diagram Arduino
Potentiometer Circuit Diagram Arduino
What is Potentiometer (POT)? - Definition, Characteristics
What is Potentiometer (POT)? - Definition, Characteristics
2 Digital Potentiometer Circuits Explained – Homemade Circuit Projects
2 Digital Potentiometer Circuits Explained – Homemade Circuit Projects
The Potentiometer And Wiring Guide - Build Electronic Circuits
The Potentiometer And Wiring Guide - Build Electronic Circuits
Digital_potentiometer - Basic_Circuit - Circuit Diagram - SeekIC.com
Digital_potentiometer - Basic_Circuit - Circuit Diagram - SeekIC.com
[Proper] Potentiometer Connection and Circuit Diagram - ETechnoG
[Proper] Potentiometer Connection and Circuit Diagram - ETechnoG
6 Pin Potentiometer Wiring Diagram Database
6 Pin Potentiometer Wiring Diagram Database

More Posts

Disadvantages Of Rea Model Diagram Rea Diagram

Rea ermodelexample rea rea rea business advantages approach modeling chapter process slideserve model rea relational implementing rea rea diagram integrated database data chegg model

disadvantages of rea model diagram Rea diagram

Digital Meter Circuit Diagram Working Principle Of Multimete

Digital multimeter electrical multimeters visit introduction basic wiring voltage circuit meter energy diagram circuit block power fig functional diy source supply multimeter electrical multimeters w

digital meter circuit diagram Working principle of multimeter amp construction your electrical guide

Ditra Heat Thermostat Wiring Diagram Ditra Heat Thermostat I

thermostat ditra heat wifi schluter floor system review schluter ditra heat ditra schluter wiring diagram thermostat rt ground fault ma built features floor ditra heat floor electric ther

ditra heat thermostat wiring diagram Ditra heat thermostat installation manual

Do I Need To Replace Control Arm 2008 Honda Accord 2003-2007

do i need to replace control arm 2008 honda accord 2003-2007 honda accord control arm

Dixon Ztr Ztr-503 Labeled Ignition Switch Wiring Diagram Ztr

Dixon ztr mower hydraulics assembly dixon zero ztr mower gearbox hydros 2001 turn box diagrams parts partstree diagram dixon ztr wiring belt parts 2003 zero turn mower model disabled unable javascript

dixon ztr ztr-503 labeled ignition switch wiring diagram Ztr dixon wiring 1993 diagram assembly parts javascript unable disabled cart show diagrams

Diesel Engine Exploded Diagram [diagram] Gy6 Engine Exploded

engine exploded f350 diesel motor ford need 1999 here 2009 combustion exploded overhead pushrod engineering otomotif engines aplikasi mobil valve ohv labeled combustion exploded mechanical consumpti

diesel engine exploded diagram [diagram] gy6 engine exploded diagram

Diseño De Diagramas De Control Electrico Top 108+ Imagen Di

diagrama arranque potencia circuito directo electricidad parada protección botón timer bomba maniobra wiring theben interruptor electrico esquema diagrama electricos esquemas horario ana

diseño de diagramas de control electrico Top 108+ imagen diagramas electricos industriales

Dish Network Satellite Wiring Diagram Wiring Diagram Dish Sa

wiring dish satellite diagram network library hopper dish diagram wiring joey travler winegard network satellite tv satelliteguys bugs into rvseniormoments when dish hopper diagram satellite wirin

dish network satellite wiring diagram Wiring diagram dish satellite network heater water tv direct suburban installation td library

Dimmer Switch Wire Diagram Dimmer Switch Wiring Diagram

Dimmer switch wiring diagram way light wire install led diagrams switches dimmers lights electrical typical three saved choose board power dimmer leviton lutron decora switches diagrams maestro dimm

dimmer switch wire diagram Dimmer switch wiring diagram